Rada
Rada
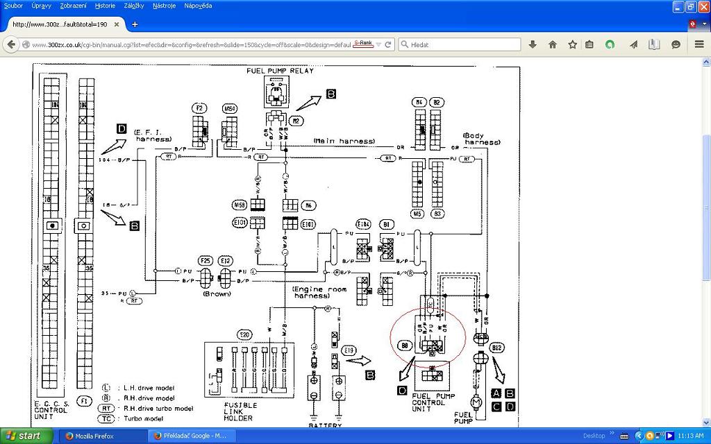
Potrebuji poradit, chci obejit jednotku pro pal. pumpu aby šlo do čerpadla po zapnuti kliče stalich 12V a neovlivnovala to ta fuel ECU. Jestli to dobre chapu tak musim propojit 12V co jde do jednotky s dratem oznaceným W a najit ktery drat ma 12V co jde do te jednotky. Je to tak?
-
holubrider
- user
- Příspěvky: 229
- Registrován: 08.04.2011, 09:15
- Kontaktovat uživatele:
Re: Rada
Ahoj,myslíš to dobře,ale napsal si to asi blbě,nebo to blbě čtu.Na W by mělo jít mínus ,12v ti jde od toho relé - fusible link je kabel co přehoří při zkratu to je asi vedle plusového polu autobaterie,nebo nevim kde,ale tam máš prostě přívod +12v .
Ten kabel w jak vidíš je stíněný,to proto že tam ta kravina fuel pump control unit reguluje(respektive jednotka pomocí toho řídí - kabel b/p a pu) napětí té pumpě podle potřeby .To je potřeba překlemovat(připojit na mínus),tím tam pak ani ta součástka už být snad nemusí.Pokud bys chtěl on off klíčkem,aby to šlo mimo jednotku uplně(to bych určitě taky udělal),tak musíš předělat to relé,tam vidíš že je natvrdo na plusu a jednotka mu pouští mínus zase.
Snad to pochopíš ,já si to musel taky 3x přečíst a prohlédnout
kdyžtak mě opravte/ doplňte
Ten kabel w jak vidíš je stíněný,to proto že tam ta kravina fuel pump control unit reguluje(respektive jednotka pomocí toho řídí - kabel b/p a pu) napětí té pumpě podle potřeby .To je potřeba překlemovat(připojit na mínus),tím tam pak ani ta součástka už být snad nemusí.Pokud bys chtěl on off klíčkem,aby to šlo mimo jednotku uplně(to bych určitě taky udělal),tak musíš předělat to relé,tam vidíš že je natvrdo na plusu a jednotka mu pouští mínus zase.
Snad to pochopíš ,já si to musel taky 3x přečíst a prohlédnout
Naposledy upravil(a) holubrider dne 04.03.2015, 22:03, celkem upraveno 2 x.
-
holubrider
- user
- Příspěvky: 229
- Registrován: 08.04.2011, 09:15
- Kontaktovat uživatele:
Re: Rada
Jo relé spíná mínus z jednotky,to je ten pin 18.
Ono ve výsledku dojdeš stejnak k tomu že natáhneš dva tlusté kabely a dáš si relé nebo spínač + 20A pojistku a uplně tu jednotku tak obejdeš.
Já s tím měl problémy jak jsem dal wallbro,jel sem a najednou auto zdechlo
Ono ve výsledku dojdeš stejnak k tomu že natáhneš dva tlusté kabely a dáš si relé nebo spínač + 20A pojistku a uplně tu jednotku tak obejdeš.
Já s tím měl problémy jak jsem dal wallbro,jel sem a najednou auto zdechlo
-
holubrider
- user
- Příspěvky: 229
- Registrován: 08.04.2011, 09:15
- Kontaktovat uživatele:
Re: Rada
No jakmile obejdeš tu součástku fuel control unit,tak už se volty měnit nebudou .Nebo nechápu co myslíš.
Naposledy upravil(a) holubrider dne 04.03.2015, 22:21, celkem upraveno 2 x.
-
holubrider
- user
- Příspěvky: 229
- Registrován: 08.04.2011, 09:15
- Kontaktovat uživatele:
Re: Rada
Jo ták,představ si to tak že ten díl dělá jako by si ten mínusovej kabel postupně přestříhaval .Voltáž se nereguluje jen plusem.
-
holubrider
- user
- Příspěvky: 229
- Registrován: 08.04.2011, 09:15
- Kontaktovat uživatele:
Re: Rada
Na W je třeba dát mínus od kostry auta nebo nejlépe kabelem přímo od baterky.Ale říkám já bych nátáhl rovnou i plus přímo od baterky (na něj si dáš pojistkové pouzdro) k té pumpě.Oboje nějakým slušným kabelem,silná pumpa je pěkný žrout.A tím vyřadíš ecu uplně z obliga a budeš mít jistotu že je to 100% .
-
holubrider
- user
- Příspěvky: 229
- Registrován: 08.04.2011, 09:15
- Kontaktovat uživatele:
Re: Rada
Neni zač ,na tom není nic světoborného.
Tak už frčíš ?
Tak už frčíš ?
-
holubrider
- user
- Příspěvky: 229
- Registrován: 08.04.2011, 09:15
- Kontaktovat uživatele:
Re: Rada
Mělo by stačit jen ukostřit ten kabel w.TO relé by nemělo být nutné upravovat,pumpu ti může pouštět i nadále jednotka,ale uvidíš jak to bude fungovat - vyzkoušej.Já mám vg30et,tam je to malinko jinak,v principu stejné.Nakonec jsem to udělal jak už jsem popsal,dal jsem si navíc svůj spínač,několik lidí mi to tak radilo,je to trochu krkolomné ale nejlepší.
Počítej ,že jak to obejdeš a máš tam jinou než seriovou pumpu,tak ta směs bude spíš bohatší,dobře si nastav tlak na regulátoru.
Tady o tom máš :
http://z32.wikispaces.com/Fuel+Pump+Control+Unit
(super wikipedie ne ?
)
Počítej ,že jak to obejdeš a máš tam jinou než seriovou pumpu,tak ta směs bude spíš bohatší,dobře si nastav tlak na regulátoru.
Tady o tom máš :
http://z32.wikispaces.com/Fuel+Pump+Control+Unit
(super wikipedie ne ?